
1.¿Qué es un voltímetro digital?El voltímetro digital, abreviado como DVM, es un instrumento que se utiliza para medir la diferencia de potencial eléctrico entre dos puntos de un circuito. El voltaje puede ser una corriente alterna (CA) o una corriente continua (CC). Mide el voltaje de entrada después de convertir el voltaje analógico en voltaje digital y lo muestra en formato numérico mediante un convertidor. El uso del voltímetro digital ha aumentado la velocidad y la precisión con la que se registran las lecturas.
1. El voltímetro digital se utiliza para conocer el voltaje real de diferentes componentes.
2.DVM se usa ampliamente para verificar si hay energía en el circuito, como en la toma de corriente.
3. Conociendo el voltaje a través de un circuito, se puede calcular la corriente.
1. No es necesario calcular las lecturas manualmente para obtener la lectura de voltaje, ohmios o amperios, a diferencia de los voltímetros analógicos.
2.Los voltímetros digitales proporcionan una lectura precisa y generada por computadora en la pantalla, lo que elimina los errores que podrían ocurrir en el caso de la lectura humana.
3. Proporcionan lecturas precisas y rápidas en comparación con las lecturas extraídas de un voltímetro analógico.
4.Los voltímetros digitales no requieren realizar cálculos y son más estables, confiables y seguros.
5. Los voltímetros digitales proporcionan resultados precisos y no dependen de la competencia de los lectores como en el caso de la lectura del voltímetro analógico.
6. Los voltímetros digitales son rentables y de menor tamaño, lo que los hace fáciles de manejar y usar.
7.Los voltímetros digitales tienen la función de medir voltajes tanto CA como CC.
8. En algunos voltímetros digitales más recientes, hay microcontroladores con cuyo uso se pueden almacenar las lecturas para su posterior procesamiento.
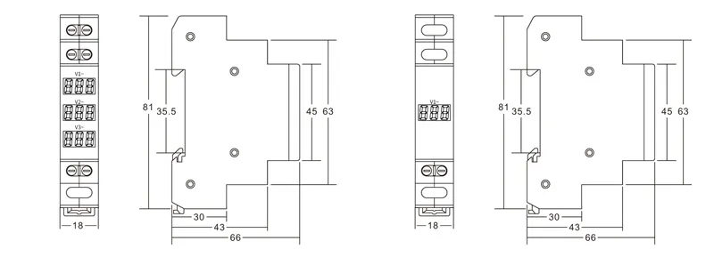
Características eléctricas | |
| Tipo | EKMV1: Pantalla digital monofásica de 1 LED |
| EKMV3: Pantalla digital trifásica de 3 LED | |
| Terminal para cableado | Monofásica L+N |
| Trifásico 3L+3N | |
| Color digital | Rojo |
| Rango de voltaje de medición | CA 80 V ~ 500 V |
| Frecuencia nominal | 50/60 Hz |
| Corriente de trabajo | ≤20 mA |
| Precisión de medición | 1 |
| Tasa de medición | >200MS/tiempo |
| Grado de protección | IP20 |
| Vida eléctrica | ≥15000 horas |
Condiciones de trabajo | |
| Temperatura ambiente (con media diaria ≤35℃) | -5℃~+40℃ |
| Temperatura de almacenamiento | -25℃~+70℃ |
| Humedad relativa del aire | 10-80% (sin condensación) |
| Presión laboral | 80 ~ 160 kPa |
| Soleado | Sin sol |
Instalación | |
| Terminal para cableado | 1,5 mm² |
| Montaje | Sobre carril DIN EN60715 (35mm) mediante dispositivo de clip rápido |

